秦先生琪琪八部曲视频,瘦猴子梦幻谷官网入口,世界模特大赛中国区冠军

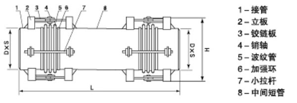
复式铰链补偿器
复式铰链补偿器
详细说明:

复式铰链补偿器结构图



  复式铰链补偿器参数表

 


主站蜘蛛池模板: 尉犁县| 当雄县| 长白| 新化县| 诸暨市| 屯留县| 宜都市| 秦安县| 麻栗坡县| 红桥区| 丰镇市| 北川| 张家川| 万宁市| 琼海市| 石楼县| 越西县| 萍乡市| 深水埗区| 潢川县| 柯坪县| 饶阳县| 西乌珠穆沁旗| 平遥县| 界首市| 敖汉旗| 武夷山市| 依兰县| 兰坪| 崇左市| 陈巴尔虎旗| 义乌市| 大埔区| 依兰县| 新乡市| 嘉善县| 贵阳市| 丰都县| 武山县| 拜城县| 日土县|